梅特勒托利多SLS410荔枝视频在线观看免费高清视频
梅特勒托利多SLS410荔枝视频在线观看免费高清视频介绍
SLS410S型荔枝视频在线观看免费高清视频,可用于悬挂料斗,罐体称重,计量和混合秤转换。SLS410荔枝视频在线观看免费高清视频提供IP67防护,适用于大多数工业环境。SLS410荔枝视频在线观看免费高清视频有各种量程,量程范围为:50-7500kg。

梅特勒托利多SLS410荔枝视频在线观看免费高清视频优势:
-
1.可靠的应变计设计
-
2.标准机械接口
-
3.坚固的设计,镀镍钢
-
4.高输出信号3mV/V.
-
5.准确率为0.03%
-
6.IP67密封保护
梅特勒托利多SLS410荔枝视频在线观看免费高清视频产品参数
|
参数名称 |
参数值 |
单位 |
|
量程 |
50,100 |
250,500 |
1000 |
2500 |
5000 |
7500 |
kg |
|
额定输出 |
3.000±0.25% |
mV/V @ R.C. |
|
零负载输出 |
1 |
% R.C. |
|
综合误差 |
≤0.03 |
% R.C. |
|
重复性 |
≤0.01 |
% A.L.3 |
|
蠕变(30min) |
≤0.03 |
% A.L. |
|
额定温度 |
-10~+40(+14~+104) |
°C (°F) |
|
工作温度 |
-35~+65(-31~+150) |
°C (°F) |
|
输入阻抗 |
430±50 |
Ω |
|
输出阻抗 |
350±3.5 |
Ω |
|
绝缘电阻 |
>5000 |
MΩ |
|
击穿电压 |
>500 |
V AC |
|
材质 |
不锈钢 |
|
|
密封等级 |
IP67 |
|
|
安全负载 |
150 |
%ofR.C. |
|
极限负载 |
300 |
%ofR.C. |
|
受力方式 |
拉式或压式 |
|
|
重量 |
0.7 |
0.9 |
1.6 |
1.8 |
3 |
7.3 |
kg |
|
线缆长度 |
6 |
m |
|
线缆颜色 |
+电源:红色;-电源:黑色;+信号:绿色;-信号:白色 |
|
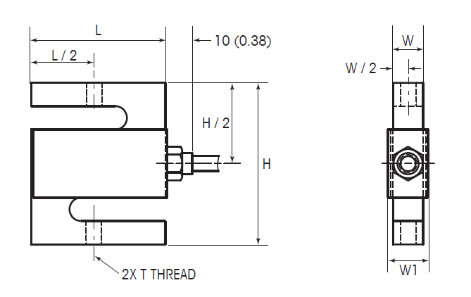
梅特勒托利多SLS410荔枝视频在线观看免费高清视频外形尺寸(单位mm)
|
量程 |
H |
H/2 |
L |
L/2 |
T(2X) |
W |
W/2 |
WI |
|
50-100kg |
63.5 |
31.8 |
50.8 |
25.4 |
M8x1.25 |
12.7 |
6.4 |
16.1 |
|
250-500kg |
63.5 |
31.8 |
50.8 |
25.4 |
M12x1.75 |
19.1 |
9.5 |
22.4 |
|
1000kg |
63.5 |
31.8 |
50.8 |
25.4 |
M12x1.75 |
25.4 |
12.7 |
28.8 |
|
2500-5000kg |
101.6 |
50.8 |
76.2 |
38.1 |
M20x1.5 |
25.4 |
12.7 |
28.8 |
|
7500kg |
139.7 |
69.9 |
101.6 |
50.8 |
M24x2 |
31.8 |
15.9 |
35.1 |